Refrigerant Distributor
Refrigerant Distributor Description
Refrigerant distributors are critical components in HVAC and refrigeration systems, ensuring that refrigerant is evenly distributed to the multiple circuits or pipes of the evaporator coil.
How it Works
- The distributor has an orifice or nozzle inside that meters and directs the flow of refrigerant.
- The refrigerant enters the distributor body and is then divided into multiple small tubes, each of which leads to a different evaporator channel.
- Excellent distribution ensures that each heat exchange coil circuit receives the same amount of refrigerant, resulting in efficient operation.
Function
- The refrigerant distributor evenly divides the liquid and vapor refrigerant mixture from the expansion device (such as a TXV or electronic expansion valve) into several smaller tubes that deliver it to the evaporator coil.
- This ensures even refrigerant flow and consistent heat exchange across all coil circuits, preventing uneven cooling or frost buildup.
Refrigerant Distributor Type
1 Distributor Venturi Type
After the gas-liquid mixed refrigerant enters, it first contracts slightly, the speed increases, and the pressure decreases. After reaching the narrowest point, the channel becomes larger, the pressure increases, and the speed decreases. Like a nozzle, the refrigerant is sprayed into the distributor. At this time, the pressure is relatively high, and the refrigerant flow rate is fast and very uniform.
2 Distributor Pressure drop Type
There is a throttle hole inside the liquid distributor. When the refrigerant passes through, the pressure will drop, which will increase the flow rate and generate turbulence. The turbulence will cause the refrigerant gas and liquid to mix fully, and then accelerate the flow to the distribution pipe to achieve uniform distribution.
3 Distributor Centrifugal Type
Mainly by making the refrigerant produce centrifugal motion to fully mix the gas and liquid, allowing the refrigerant to evenly reach every distribution pipe.
Refrigerant Distributor Features
Orifice/Nozzle System
- Precision orifices – Calibrated openings for accurate flow control
- Removable nozzles – Allow for maintenance and flow adjustment
- Multiple outlet ports – Typically 2-90 circuits depending on evaporator size
Operational Features
- Wide temperature range compatibility
- Multiple refrigerant compatibility (R-410A, R-134a, R-22, etc.)
- Bi-directional flow capability for heat pump applications
Refrigerant Distributor Wholesale
Refrigerant Distributor Nozzle
Refrigerant distributor nozzles are precision orifice components within the refrigerant distributor that control the flow of refrigerant before it is distributed to multiple evaporator circuits.
Venturi-type Distributors
Refrigeration valves are used to control the flow of refrigerant in air conditioning and refrigeration systems. Refrigeration valves contain multiple copper or copper fittings, brazing is the preferred process
Brass Distributor
Copper Pipe Manifold is a typical copper and brass welding, brazing process plus suitable solder can ensure long-term damage to Copper Pipe Manifold
DodoHVAC Advantages
Fast Delivery
Flexible transportation methods and perfect production process control make delivery more secure
Low MOQ
Flexible supply chain and automation make low MOQ possible
Affordable Costs
Large-scale use of machines to optimize cost structure
Turnkey Services
We improve after-sales service, you have no worries, lift-time services
Our Equipment
To ensure the quality of delivery, I used a large number of customized equipment, and we were strict from production to testing.
Good products come from excellent design and excellent process control to meet the personalized needs of customers.

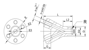
| Item | Model | E | L | L2 | D | D2 | D3 | R | n |
| 1 | φ24-32-16 | 24 | 32 | 15 | 16 | 16 | 8 | 6 | 2~4 |
| 2 | φ24-32-12.7 | 12.7 | 6 | 5 | |||||
| 3 | φ24-32-9.52 | 9.52 | 5 | 5 | |||||
| 4 | φ28-41-22 | 28 | 41 | 22 | 22 | 22 | 10 | 8 | 5~6 |
| 5 | φ28-41-19.05 | 19.05 | 9 | 7 | |||||
| 6 | φ28-41-16 | 16 | 8 | 6 | |||||
| 7 | φ28-41-12.7 | 12.7 | 6 | 5 | |||||
| 8 | φ28-41-9.52 | 9.52 | 5 | 5 | |||||
| 9 | φ35-41-22 | 35 | 41 | 17 | 22 | 22 | 10 | 8 | 7~9 |
| 10 | φ35-41-19.05 | 19.05 | 9 | 7 | |||||
| 11 | φ35-41-16 | 16 | 8 | 6 | |||||
| 12 | φ35-41-12.7 | 35 | 41 | 17 | 22 | 12.7 | 6 | 5 | 7~9 |
| 13 | φ35-41-9.52 | 9.52 | 5 | 5 | |||||
| 14 | φ38-46-22 | 38 | 46 | 16 | 22 | 22 | 10 | 8 | 10~11 |
| 15 | φ38-46-19.05 | 19.05 | 9 | 7 | |||||
| 16 | φ38-46-16 | 16 | 8 | 6 | |||||
| 17 | φ38-46-12.7 | 12.7 | 6 | 5 | |||||
| 18 | φ38-46-9.52 | 9.52 | 5 | 5 | |||||
| 19 | φ45-50-25.4 | 45 | 50 | 19 | 27 | 25.4 | 12 | 8 | 12~14 |
| 20 | φ45-50-22.2 | 22.23 | 11 | 8 | |||||
| 21 | φ45-50-19.05 | 19.05 | 9 | 7 | |||||
| 22 | φ45-50-16 | 16 | 8 | 6 | |||||
| 23 | φ45-50-12.7 | 12.7 | 6 | 5 | |||||
| 24 | φ45-50-9.52 | 9.52 | 5 | 5 | |||||
| 25 | φ49-50-22 | 49 | 50 | 17 | 22 | 22 | 10 | 8 | 14~15 |
| 26 | φ49-50-19.05 | 19.05 | 9 | 7 | |||||
| 27 | φ49-50-16 | 16 | 8 | 6 | |||||
| 28 | φ49-50-12.7 | 12.7 | 6 | 5 | |||||
| 29 | φ49-50-9.52 | 9.52 | 5 | 5 | |||||
| 30 | φ53-50-28.6 | 53 | 50 | 18 | 34 | 28.6 | 14 | 9 | 15~16 |
| 31 | φ53-50-25.4 | 25.4 | 12 | 8 | |||||
| 32 | φ53-50-22.23 | 22.23 | 10 | 8 | |||||
| 33 | φ53-50-19.05 | 19.05 | 9 | 7 | |||||
| 34 | φ53-50-16 | 16 | 8 | 6 | |||||
| 35 | φ63-58-28.6 | 63 | 58 | 23 | 34 | 28.6 | 14 | 9 | 17~21 |
| 36 | φ63-58-25.4 | 63 | 58 | 23 | 34 | 25.4 | 12 | 8 | 17~21 |
| 37 | φ63-58-22.23 | 22.23 | 10 | 8 | |||||
| 38 | φ63-58-19.05 | 19.05 | 9 | 7 | |||||
| 39 | φ63-58-16 | 16 | 8 | 6 | |||||
| 40 | φ70-63-42 | 70 | 63 | 28 | 44 | 42 | 20 | 13 | 22~24 |
| 41 | φ70-63-35 | 35 | 17 | 11 | |||||
| 42 | φ70-63-28.6 | 28.6 | 14 | 9 | |||||
| 43 | φ70-63-25.4 | 25.4 | 12 | 8 | |||||
| 44 | φ70-63-22.23 | 22.23 | 10 | 8 | |||||
| 45 | φ70-63-19.05 | 19.05 | 9 | 7 | |||||
| 46 | φ74-65-42 | 74 | 65 | 25 | 44 | 42 | 20 | 13 | 25~26 |
| 47 | φ74-65-35 | 35 | 17 | 11 | |||||
| 48 | φ74-65-28.6 | 28.6 | 14 | 9 | |||||
| 49 | φ74-65-25.4 | 25.4 | 12 | 8 | |||||
| 50 | φ74-65-22.23 | 22.23 | 10 | 8 | |||||
| 51 | φ74-65-19.05 | 19.05 | 9 | 7 | |||||
| 52 | φ84-65-42 | 84 | 65 | 23 | 44 | 42 | 20 | 13 | 27~30 |
| 53 | φ84-65-35 | 35 | 17 | 11 | |||||
| 54 | φ84-65-28.6 | 28.6 | 14 | 9 | |||||
| 55 | φ84-65-25.4 | 25.4 | 12 | 8 | |||||
| 56 | φ84-65-22.23 | 22.23 | 10 | 8 | |||||
| 57 | φ84-65-19.05 | 19.05 | 9 | 7 | |||||
| 58 | φ94-82-42 | 94 | 82 | 33 | 44 | 42 | 20 | 13 | 31~35 |
| 59 | φ94-82-35 | 35 | 17 | 11 | |||||
| 60 | φ94-82-28.6 | 94 | 82 | 33 | 44 | 28.6 | 14 | 9 | 31~35 |
| 61 | φ94-82-25.4 | 25.4 | 12 | 8 | |||||
| 62 | φ94-82-22.23 | 22.23 | 10 | 8 | |||||
| 63 | φ94-82-19.05 | 19.05 | 9 | 7 |
1. Cutting
2. Red punching
3. CNC processing and punching
4. Inspection
5. Packaging
Refrigerant Distributor Guide
As its name suggests, flame brazing is a process that uses flames. A flame is a source of heat that aim to increase the temperature of the substance it touches to a sufficient degree to allow an operation to be carried out. Flame brazing can also be referred to as torch brazing. It can be either manually, mechanically, or automatically performed.